Transmission TTL et protocole RS485
Transmission série
Avantages
- Câble plus fin, plus souple, moins coûteux.
- Connecteur simplifié, meilleur marché, plus vite monté.
- Plus de problème de synchronisation de signaux
- On ne transmet qu’un seul signal. Seules les horloges doivent être de fréquence très voisine, ce qui n’est pas difficile en électronique.
- Isolation diaphonique.
- Plus de risque d’interférence entre signaux, il n’y a qu’un seul signal.
- Utilisable sur des longueurs nettement plus importantes (km).
Inconvénients
- Débit
- A une même fréquence, on transporte un seul bit à la fois.
- Electronique plus compliquée du côté émetteur et encore plus compliquée côté récepteur (synchronisation d’horloge).
- UART : Universal Asynchronous Receiver Transmitter.
- L’UART peut être désynchronisé, l’information reçue est alors invalide.
Transmission série synchrone
Transmission série asynchrone
Exemple : port série RS232 du PC
Exemple d’un adapteur FTDI USB-RS232
Transmission série asynchrone TTL
Exemple de trame série (TTL)
‘1’ logique = +5V
‘0’ logique = 0V
Transmission série asynchrone RS485 vs RS232
Transmission série asynchrone RS485
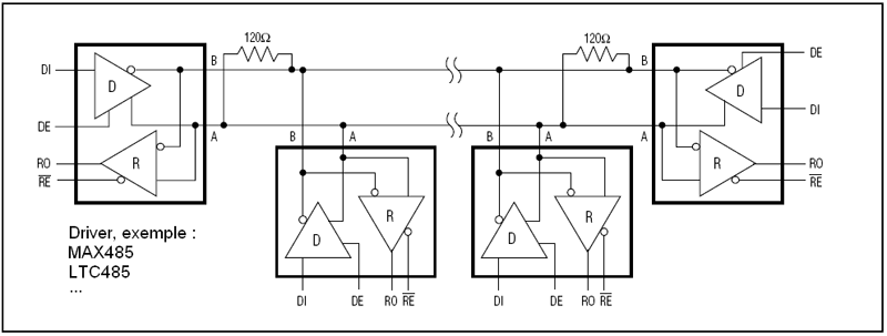
Liaisons multipoints
Penser aux résistances de Terminaison de 120 Ω au début et à la fin de la liaison RS485.
Half Duplex
Définition
- Liaison bidirectionnelle.
- 1 canal de transmission est partagé :
- Il est utilisé dans un sens et dans l’autre.
- Une règle doit définir comment gérer l’accès au média.
- Moins cher, plus facile, mais plus lent.
Exemple
- De nombreux bus de terrain, RS485,
Topologie : Bus
Principe
- Connections de toutes les stations sur un même câble
- Toujours half duplex.
- 2 topologies selon les possibilités techniques
- connexion en T "par prise vampire"
-
- chaînage
Avantages
- Simplicité d’adjonction de stations.
- Fonctionne même en cas de panne d’une station.
- Transmission en diffusion ( broadcasting , multicasting
- Longueur de câble réduite.
Inconvénients
- 1 seule station peut émettre à la fois.
- Les résistances de terminaison sont externes (à câbler).
- Liaison en chaîne : échange d’appareil impossible sans arrêt du système.
- Liaison en T : coûts de connexion plus importants.
Exemples
- Connexion en prise vampire : ASi
- Profibus, Modbus
Source : Cours IUT Haguenau - Département GEII - Automatisme Spé. 4 - Réseaux Locaux Industriels - Philippe Celka, le 28.02.2022
Philippe Celka Copyright © 2025 CC Attribution-Non Commercial-Share Alike 4.0 International











No Comments